Potřebujete poradit? Neváhejte a pište WhatsApp
Spočítat výkon krbu či kamen

Krbová vložka DEFRO HOME INTRA ME BL SLIM

Krbová vložka DEFRO HOME INTRA ME BL SLIM

Výrobce: DEFRO Kód produktu: EKO-011699
Očekávaná dostupnost do 4-8 týdnů

59 961 Kč 49 554,55 Kč bez DPH s DPH

Detailní informace
30 dní na vrácení zboží
Dnes Vám poradí Martin
222 262 261 Pondělí až pátek 9:00 - 16:00

Krbová vložka DEFRO HOME INTRA ME

Řada krbových vložek DEFRO HOME INTRA SLIM byla navržena s ohledem na menší prostory a nižší energetické požadavky. Krbové vložky z této řady kombinují ekologické řešení s moderním designem. Díky modernímu vzhledu a těsnému ohništi jsou tyto krbové vložky skvělou volbou pro pasivní domy a domy s rekuperací. Patentované technologie zaručují úsporu energie a bezproblémový chod zařízení.

  • Menší zástavbová hloubka
  • Je určena pro konvekční provoz
  • Určena i pro nízkoenergetické stavby
  • Centrální přívod vzduchu - speciální box umožní připojení hadice přívodního vzduchu k vložce s možností napojení ze strany 
  • Multiflow - patentované řešení dodávání vzduchu pro spalování
  • Black line - sklo s černým potiskem
  • Propracovaný systém oplachu skla
  • Topeniště z masivního akumulačního materiálu vyztužené speciálními ocelovými drátky
  • Studená rukojeť - vyrobeno z nerezové oceli nejvyšší kvality, speciální perforace rukojeti umožňuje přirozené ochlazování rukojeti
  • Splňuje normy: Blmsch V Stufe2 a předpoklady programu Eko design
  • Stavitelné nožky - rozsah nastavitelných nožiček od 0 do 1000 mm
  • Systém trubkových průduchů - průduchy navyšují efektivitu krbové vložky

 

 

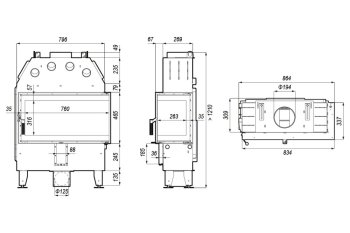
Parametry
Jmenovitý výkon 8 kW
Kouřovod 200 mm
Váha 178 kg
Akumulační materiál Thermblock
Deflektor (clona) Ano
Délka polen 70 cm
Emise CO (Při 13% O2) 0,08 %
Typ skla rovné
Odvod spalin vrchní
Materiál ocel + akumulační vyzdívka
Externí přívod vzduchu Ano
Sekundární spalování Ano
Norma EN 16510-2-1, Ekodesign
Oplach skla Ano
Popelník Ano
Přikládání přední
Provozní tah 12 Pa
Průměr externího přívodu vzduchu 125 mm
Průměrná teplota spalin 266 °C
Rozměr (ŠxVxH) 864x1210x337 mm
Vytápěcí schopnost 88-288 m3
Účinnost 80,1 %

Naposledy navštívené produkty

Produktové řady

UniflamNordflamHS FlamingoAquaflam VARIOInvictaMasterflammeFlamingo DELUXEAquaflam